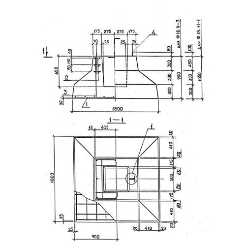
2Ф 18.9 фундаменты под колонны

Чертеж изделия:
Характеристики изделия:
ПараметрЗначение
длина1800 мм
ширина1800 мм
высота900 мм
масса4000 кг
нормативный документГОСТ 24476-80

2Ф 18.9 Фундаменты сборные для колонн ГОСТ 24476-80.