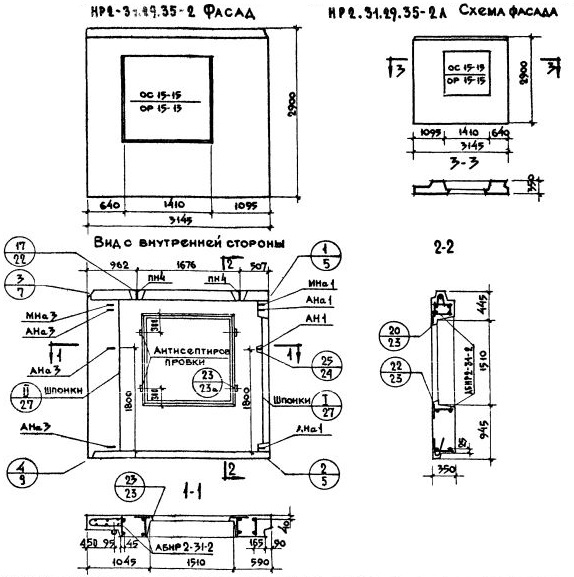
НР2-31.29.35-2л
Характеристики изделия:
| Параметр | Значение |
|---|---|
| Длина | 3145 мм |
| Ширина | 350 мм |
| Высота | 2900 мм |
| Масса | 3100 кг |
| Нормативный документ | Серия 1.132-1 |
Цена:
Рассчитать стоимостьНР2-31.29.35-2л Наружная стеновая панель рядовая по Серии 1.132-1.
| Параметр | Значение |
|---|---|
| Длина | 3145 мм |
| Ширина | 350 мм |
| Высота | 2900 мм |
| Масса | 3100 кг |
| Нормативный документ | Серия 1.132-1 |
НР2-31.29.35-2л Наружная стеновая панель рядовая по Серии 1.132-1.