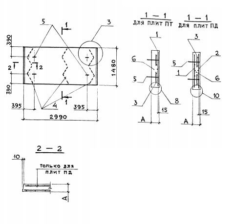
ПТ 300.150.12 плиты лотков
Характеристики изделия:
| Параметр | Значение |
|---|---|
| длина | 2990 мм |
| ширина | 1480 мм |
| высота | 120 мм |
| масса | 1330 кг |
| нормативный документ | Серия 3.006.1-8 |
Цена:
Рассчитать стоимостьПТ 300.150.12 Плиты перекрытий каналов Серия 3.006.1-8.
| Параметр | Значение |
|---|---|
| длина | 2990 мм |
| ширина | 1480 мм |
| высота | 120 мм |
| масса | 1330 кг |
| нормативный документ | Серия 3.006.1-8 |
ПТ 300.150.12 Плиты перекрытий каналов Серия 3.006.1-8.