СБО 3.3-1 к7-1
Характеристики изделия:
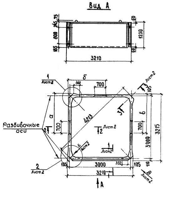
| Параметр | Значение |
|---|---|
| Длина | 3210 мм |
| Ширина | 3215 мм |
| Высота | 1230 мм |
| Масса | 4100 кг |
| Нормативный документ | Серия 3.702.1-4 |
Цена:
Рассчитать стоимостьСБО 3.3-1 к7-1 Силосный блок объёмный по Серии 3.702.1-4.
| Параметр | Значение |
|---|---|
| Длина | 3210 мм |
| Ширина | 3215 мм |
| Высота | 1230 мм |
| Масса | 4100 кг |
| Нормативный документ | Серия 3.702.1-4 |
СБО 3.3-1 к7-1 Силосный блок объёмный по Серии 3.702.1-4.