ГО

Чертеж изделия:
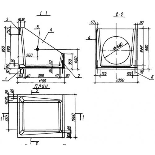
Характеристики изделия:
ПараметрЗначение
длина1100 мм
ширина1000 мм
высота950 мм
масса500 кг
нормативный документСерия 3.820-6

ГО Гасители по  Серии 3.820-6.