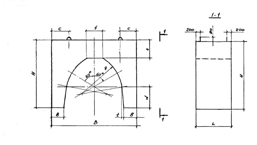
УБКм 426
Характеристики изделия:
| Параметр | Значение |
|---|---|
| длина | 900 мм |
| ширина | 1100 мм |
| высота | 690 мм |
| вес | 1320 кг |
| серия | ТП 10418 |
Цена:
Рассчитать стоимостьУБКм 426 Утяжелители железобетонные болотные клиновидные для балластировки трубопроводов. Типовой проект 10418.